Stepper Motors
960 Active
Data Group: 960
SKU: 1124063
Weight (Kg): 1.0000
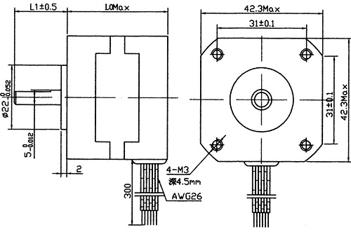
Decsription: 42BYG39U-18W24
HS Code: 8501.10.4040
Applications: Office equipment, automotion, control unit for automobile, telecommunication, home appliance
Untitled Document
KYSAN SKU MFG Model No. of Phase Voltage (V) Current (A) Resistance (O) Inductance (mH) Holding Torque (g.cm) Detent Torque (g.cm) Weight (Kg) Wiring Connection Size
L0 (mm) L1 (mm)
1124002 42BYGH102 4 3.6 1.2 3.5 3.2 2400 38 0.24 WDG. B 39 24
1124003 42BYGH404 4 12 0.4 30 25 3200 38 0.27 WDG. B 48 24
1124004 42BYGH007 4 12 0.31 38.5 18 1600 38 0.2 WDG. B 34 20
1124005 42BYGH025 4 2.5 0.95 2.6 2.6 1700 38 0.2 WDG. B 34 20
1124009 42BYGH128 4 12 0.4 30 24 2500 38 0.24 WDG. B 39 24
1124011 42BYGH302 4 12 0.4 30 25 3200 82 0.34 WDG. B 48 34
1124013 42BYGH019 4 11.8 0.28 42 23 1800 38 0.2 WDG. B 34 22
1124014 42BYGH068 4 4 0.95 4.2 2.7 1700 38 0.2 WDG. B 34 22
1124020 42BYGH3404 4 5.2 0.5 10.5 7 1500 38 0.24 WDG. B 34 18
1124021 42BYGH3406 4 18.8 0.25 75 42 2000 38 0.24 WDG. B 34 18
1124024 42BYGH3906 4 7.4 0.65 11.5 12 3200 82 0.24 WDG. B 40 20
1124026 42BYGH442C 4 12.6 0.3 42 40 2700 82 0.34 WDG. B 44 27
1124028 42BYGH4408 4 5 1 5 6.8 3500 82 0.34 WDG. B 44 24
1124031 42BYGH4804 4 11.2 0.4 28 22 3200 82 0.34 WDG. B 48 24
1124032 42BYGH4806 4 52 1 52 5.2 3800 82 0.34 WDG. B 48 24
1124034 42BYGH3412-25 4 12 0.4 30 27 2600 38 0.34 WDG. B 34 24
Untitled Document

©2003 KYSAN ELECTRONICS All Rights Reserved! www.kysanelectronics.com