DC Motors
3268 Active
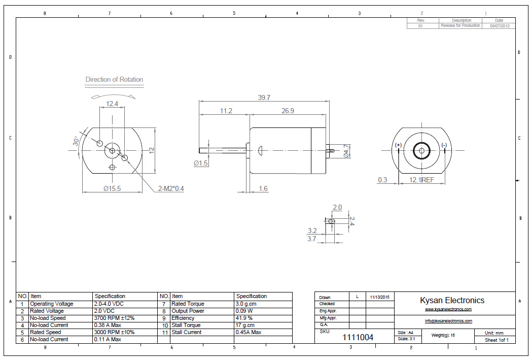
Data Group: 3268
SKU: 1111004
Weight (Kg): 0.1000
Decsription: FF-050S-13130
HS Code: 8483.40.9000
Applications:

©2003 KYSAN ELECTRONICS All Rights Reserved! www.kysanelectronics.com