DC Motors
221 Active
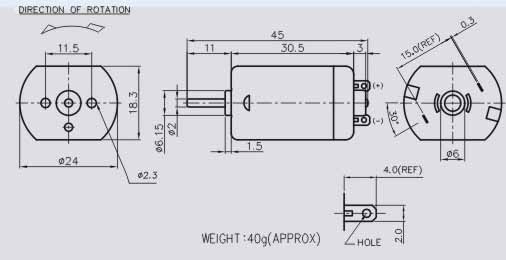
Data Group: 221
SKU: 1111013
Weight (Kg): 0.2000
Decsription: PC-280-16210
HS Code: 8501.31.6000
Applications: Car mirriors, central locks, printers, vending machines.
Untitled Document
MFG Model VOLTAGE NO LOAD AT MAXIMUM EFFICIENCY STALL
OPERATING NOMINAL SPEED CURRENT SPEED CURRENT TORQUE OUTPUT Eff. TORQUE CURRENT
RANGE VDC RPM A RPM A mN·m g·cm W % mN·m g·cm A
PC-280-20125-N 3.0~9.0 6 10800 0.18 8500 0.64 23 2.25 2.04 53 10.39 2.42 106
PC-280P-19160-N 6.0~12.0 12 11500 0.13 8700 0.58 45 4.41 4.10 60 26.47 3.00 270
PC-280P-16200-N 6.0~18.0 12 9100 0.1 7400 0.45 43 4.22 3.29 64 23.63 2.00 241
PC-280P-20150-N 6.0~12.0 12 12300 0.12 10300 0.72 53 5.20 5.64 66 32.75 3.86 334
PC-280-20120 6.0~12.0 12 6500 0.12 4270 0.45 140 14.5 3.04 60 20.75 2.00 2.00
PC-280-16210 6.0~12.0 12 6000 0.07 4260 0.45 180 18.03 3.04 60 20.75 2.00 2.00

©2003 KYSAN ELECTRONICS All Rights Reserved! www.kysanelectronics.com