|
 |
|
DC Motors
276 Active |
|
|
|
|
|
Data Group: 276
SKU: 1111021
Weight (Kg): 0.2000
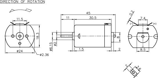
Decsription: UC-280S-10450
HS Code: 8501.31.6000
Applications: Auto locks
 |
|
|
|
|
|
Untitled Document
MFG Model |
VOLTAGE |
NO LOAD |
AT MAXIMUM EFFICIENCY |
STALL |
OPERATING |
NOMINAL |
SPEED |
CURRENT |
SPEED |
CURRENT |
TORQUE |
OUTPUT |
EFF |
CURRENT |
TORQUE |
V |
V |
RPM |
A |
RPM |
A |
g.cm |
mN.m |
W |
% |
A |
g-cm |
mN-m |
| UC-280S-20145 |
6.0-12.0 |
12 |
12400 |
0.18 |
10000 |
0.75 |
55 |
5.39 |
5.76 |
64 |
3.5 |
290 |
28.43 |
| UC-280S-19160 |
6.0-12.0 |
12 |
11500 |
0.15 |
9000 |
0.57 |
46.6 |
4.57 |
4.3 |
63.4 |
2.9 |
250 |
24.51 |
| UC-280S-12285 |
12.0-24 |
24 |
13000 |
0.08 |
10300 |
0.386 |
54.4 |
5.33 |
5.75 |
62.4 |
1.6 |
265 |
25.98 |
| UC-280S-10450 |
12.0-24.0 |
12 |
3900 |
0.05 |
2850 |
0.113 |
21.3 |
2.09 |
0.63 |
46.5 |
0.38 |
95 |
9.31 |
|
|
|
|
|
|
|
|
|
|
|
|
|
|
|
©2003 KYSAN ELECTRONICS All Rights Reserved! www.kysanelectronics.com |
|