DC Motors
2592 Active
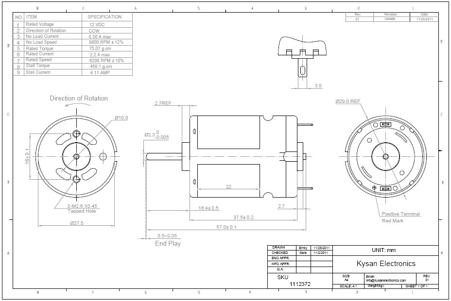
Data Group: 2592
SKU: 1112372
Weight (Kg): 0.5000
Decsription: RS-385PH-2465-16.4
HS Code: 8483.40.9000
Applications:

©2003 KYSAN ELECTRONICS All Rights Reserved! www.kysanelectronics.com