DC Motors
3403 Active
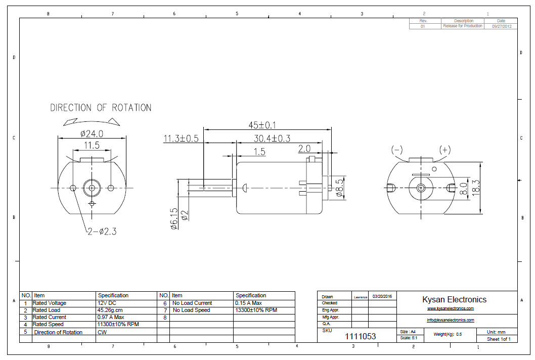
Data Group: 3403
SKU: 1111053
Weight (Kg): 0.2000
Decsription: PC-280S-18150P-45
HS Code: 8483.40.9000
Applications:

©2003 KYSAN ELECTRONICS All Rights Reserved! www.kysanelectronics.com