DC Motors
1858 Active
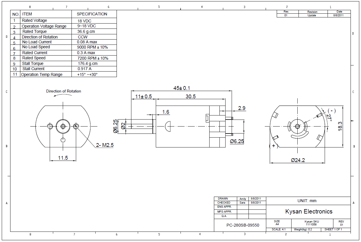
Data Group: 1858
SKU: 1111058
Weight (Kg): 0.2000
Decsription: PC-280SB-09550
HS Code: 8483.40.9000
Applications: Toyes

©2003 KYSAN ELECTRONICS All Rights Reserved! www.kysanelectronics.com