DC Motors
3811 Active
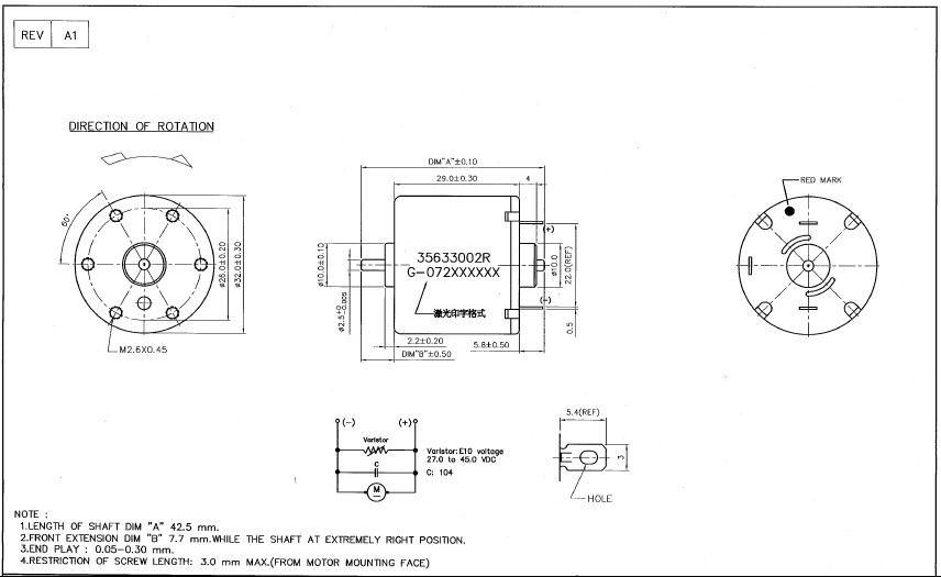
Data Group: 3811
SKU: 1111060
Weight (Kg): 0.5000
Decsription: GR-12530-R
HS Code: 8203.40.6000
Applications:

©2003 KYSAN ELECTRONICS All Rights Reserved! www.kysanelectronics.com