DC Motors
1296 Active
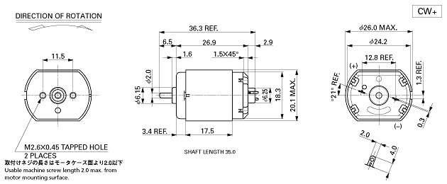
Data Group: 1296
SKU: 1111063
Weight (Kg): 0.1000
Decsription: FF-260PA-18130
HS Code: 8501.31.6000
Applications: Electric Shaver
Untitled Document
MFG VOLTAGE NO LOAD AT MAXIMUM EFFICIENCY STALL
MODEL OPERATING NOMINAL SPEED CURRENT SPEED CURRENT TORQUE OUTPUT TORQUE CURRENT
NUMBER RANGE V r/min A r/min A mN·m g·cm W mN·m g·cm A
FF-260PA-4032 1.0 - 1.5 1.2 6900 0.26 5910 1.55 1.97 20.1 1.22 13.7 140 9.2
FF-260PA-3057 1.5 - 3.5 2.4 7800 0.15 6800 0.99 2.35 24 1.67 18.4 188 6.75
FF-260PA-24109 1.5-6.0 3.6 6100 0.07 5310 0.47 2.5 20.6 1.12 16 160 3.2
FF-260PA-10390 10.0-15.0 15 7100 0.023 6000 0.13 1.9 19.4 1.19 12.3 125 0.68

©2003 KYSAN ELECTRONICS All Rights Reserved! www.kysanelectronics.com