|
|
 |
|
DC Motors
479 Inactive |
|
|
|
|
|
Data Group: 479
SKU: 1112003
Weight (Kg): 0.2000
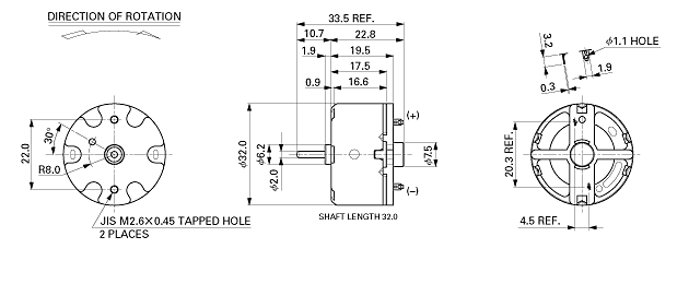
Decsription: RF-500TB-12560-6V-10.7
HS Code: 8501.31.6000
Applications: Audio and Visual Equipment>CD Player,DVD Player,VCR, baby swing.
 |
|
|
|
|
|
Untitled Document
MFG MODEL |
VOLTAGE |
NO LOAD |
AT MAXIMUM EFFICIENCY |
STALL |
OPERAT'G |
RATED |
SPEED |
CURRENT |
SPEED |
CURRENT |
TORQUE |
OUTPUT |
TORQUE |
CURRENT |
RANGE |
VDC |
RPM |
A |
RPM |
A |
mNi-m |
g-cm |
W |
mNi-m |
g-cm |
A |
| RF-500TB- 14415A |
1.0-9.0 |
3 |
1800 |
0.022 |
1400 |
0.085 |
0.78 |
8.0 |
0.11 |
4.02 |
41 |
0.33 |
| RF-500TB- 14415B |
1.5-9.0 |
5 |
3100 |
0.026 |
2540 |
0.12 |
1.23 |
12.6 |
0.33 |
6.86 |
70 |
0.54 |
| RF-500TB- 14415C |
1.0 - 9.0 |
6 |
3700 |
0.028 |
3000 |
0.13 |
1.37 |
14.0 |
0.43 |
8.23 |
84 |
0.65 |
| RF-500TB-12560-6V |
6.0-12 |
6 |
2700 |
0.02 |
2180 |
0.084 |
1.13 |
11.6 |
0.26 |
5.88 |
60 |
0.35 |
RF-500TB-12560-12V |
6.0-12 |
12 |
5600 |
0.03 |
4653 |
0.11 |
1.76 |
18 |
0.88 |
11.76 |
120 |
0.60 |
RF-500TB-12560-19V |
12-24 |
19 |
5150 |
0.0157 |
4300 |
0.082 |
2.06 |
25 |
|
13.2 |
135 |
|
| RF-500TB-18290 |
1.5-4.0 |
3 |
2660 |
0.03 |
2175 |
0.16 |
1.18 |
12 |
0.27 |
6.86 |
70 |
1.4 |
RF-500TB-18280 |
3.0-6.0 |
6 |
5150 |
0.05 |
4300 |
0.26 |
2.06 |
21 |
0.27 |
13.2 |
135 |
1.87 |
|
|
|
|
|
|
|
|
|
|
|
|
|
|
|
©2003 KYSAN ELECTRONICS All Rights Reserved! www.kysanelectronics.com |
|
|
|