|
 |
|
DC Motors
175 Active |
|
|
|
|
|
Data Group: 175
SKU: 1112034
Weight (Kg): 0.1000
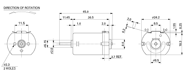
Decsription: FC-280RA-201125
HS Code: 8501.31.6000
Applications: Automotive Products: Door Lock Actuator/Household Appliances: Hair Clipper
 |
|
|
|
|
|
Untitled Document
MFG MODEL |
VOLTAGE |
NO LOAD |
AT MAXIMUM EFFICIENCY |
STALL |
OPERATING |
NOMINAL |
SPEED |
CURRENT |
SPEED |
CURRENT |
TORQUE |
OUTPUT |
TORQUE |
CURRENT |
VDC |
VDC |
r/min |
A |
r/min |
A |
mN.m |
g-cm |
W |
mN.m |
g-cm |
A |
| FC-280PA-20150 |
9.0-15 |
12 |
12000 |
0.1 |
10360 |
0.63 |
4.22 |
43 |
4.57 |
30.9 |
315 |
4 |
| FC-280PA-18165 |
9.0-15 |
12 |
11000 |
0.1 |
9330 |
0.56 |
4.24 |
43 |
4.13 |
27.9 |
284 |
3.12 |
| FC-280SA-18165 |
10.0-15 |
12 |
12400 |
0.09 |
10660 |
0.55 |
3.57 |
36 |
3.98 |
25.5 |
260 |
3.4 |
| FC-280SA-16200 |
10.0-15 |
12 |
10000 |
0.07 |
8470 |
0.39 |
3.3 |
34 |
2.92 |
21.6 |
220 |
2.15 |
| FC-280RA-201125 |
10.0-15.0 |
12 |
12000 |
|
10360 |
0.63 |
3.9 |
40 |
4.5 |
|
|
|
| FC-280SA-4523 |
1.0-2.0 |
1.2 |
8700 |
0.58 |
7100 |
2.58 |
2.42 |
25 |
1.8 |
13.2 |
135 |
11.5 |
|
|
|
Solder tab connection |
|
|
|
|
|
|
|
|
|
|
|
©2003 KYSAN ELECTRONICS All Rights Reserved! www.kysanelectronics.com |
|