|
 |
|
DC Motors
226 Active |
|
|
|
|
|
Data Group: 226
SKU: 1112042
Weight (Kg): 0.1000
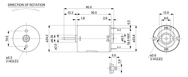
Decsription: RC-280SA-20120-12V
HS Code: 8501.31.6000
Applications: Home Appliances> Hair Clipper / Massager / Vibrator
Toys and Models> Radio Control Model
 |
|
|
|
|
|
Untitled Document
MFG MODEL |
VOLTAGE |
NO LOAD |
AT MAXIMUM EFFICIENCY |
STALL |
OPERATING |
NOMINAL |
SPEED |
CURRENT |
SPEED |
CURRENT |
TORQUE |
OUTPUT |
TORQUE |
CURRENT |
RANGE (V) |
VDC |
RPM |
A |
RPM |
A |
mN·m |
g·cm |
W |
mN·m |
g·cm |
A |
| RC-280RA-2865 |
4.5 - 6.0 |
4.5 |
13600 |
0.27 |
11350 |
1.36 |
2.92 |
29.8 |
3.47 |
17.7 |
180 |
6.9 |
| RC-280RA-20120 |
4.5 - 9.0 |
6 |
9900 |
0.12 |
8210 |
0.58 |
2.26 |
23 |
1.94 |
13.2 |
135 |
2.82 |
| RC-280RA-2485 |
4.5 - 8.4 |
7.2 |
16800 |
0.21 |
14260 |
1.18 |
3.27 |
33.3 |
4.87 |
21.6 |
220 |
6.6 |
| RC-280SA-2865 |
4.5 - 9.0 |
6 |
14000 |
0.28 |
11910 |
1.6 |
4.46 |
45.5 |
5.56 |
29.9 |
305 |
9.1 |
| RC-280SA-20120-12V |
4.5 - 12.0 |
12 |
15500 |
0.15 |
13320 |
0.92 |
4.68 |
47.7 |
6.52 |
33.3 |
339 |
5.6 |
| RC-280SA-2485 |
4.5 - 9.6 |
6 |
10800 |
0.18 |
9130 |
0.99 |
3.71 |
37.8 |
3.54 |
24 |
245 |
5.4 |
|
|
|
|
|
|
|
|
|
|
|
|
|
|
|
©2003 KYSAN ELECTRONICS All Rights Reserved! www.kysanelectronics.com |
|