DC Motors
2233 Active
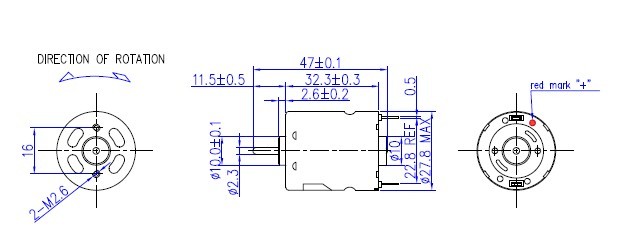
Data Group: 2233
SKU: 1112045
Weight (Kg): 0.5000
Decsription: RS-360SH-2885
HS Code: 8483.40.9000
Applications: Printer, vending machine, vibrator

©2003 KYSAN ELECTRONICS All Rights Reserved! www.kysanelectronics.com