|
 |
|
DC Motors
247 Active |
|
|
|
|
|
Data Group: 247
SKU: 1112046
Weight (Kg): 0.1000
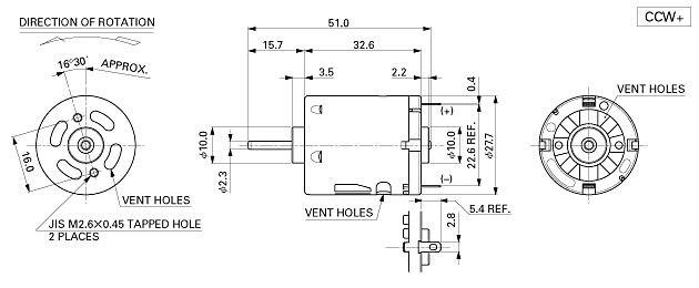
Decsription: RS-365SA-16120
HS Code: 8501.31.6000
Applications: Hair Dryer
 |
|
|
|
|
|
Untitled Document
MFG Model |
VOLTAGE |
NO LOAD |
AT MAXIMUM EFFICIENCY |
STALL |
OPERATING |
NOMINAL |
SPEED |
CURRENT |
SPEED |
CURRENT |
TORQUE |
OUTPUT |
EFF |
CURRENT |
TORQUE |
V |
V |
rpm |
A |
rpm |
A |
g.cm |
mN.m |
W |
% |
A |
g-cm |
mN-m |
| RS-365SA-2445 |
6.0-12.0 |
12 |
24500 |
0.65 |
19850 |
2.05 |
79.7 |
7.81 |
16.23 |
65.98 |
8.75 |
420 |
41.18 |
| RS-365SA-2070 |
6.0-12.0 |
12 |
15700 |
0.3 |
12150 |
1.2 |
62.2 |
6.1 |
7.76 |
54.06 |
4.09 |
275 |
26.96 |
| RS-365SA-1885 |
6.0-18.0 |
12 |
12500 |
0.2 |
9820 |
0.74 |
53.5 |
5.25 |
5.39 |
60.73 |
2.7 |
250 |
24.51 |
| RS-365SA-12160 |
12.0-24.0 |
12 |
5600 |
0.12 |
4000 |
0.3 |
34.3 |
3.36 |
1.41 |
39.1 |
0.75 |
120 |
11.76 |
|
|
|
|
|
|
|
|
|
|
|
|
|
|
|
©2003 KYSAN ELECTRONICS All Rights Reserved! www.kysanelectronics.com |
|