|
 |
|
DC Motors
254 Active |
|
|
|
|
|
Data Group: 254
SKU: 1112051
Weight (Kg): 0.5000
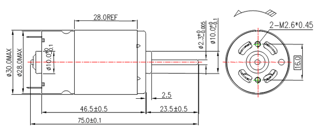
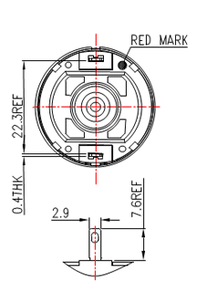
Decsription: RS-390SA-24135
HS Code: 8501.31.6000
Applications: Vacuum Cleaner; Air Pump; Cordless Drill; Cordless Screwdriver
 |
|
|
|
|
|
Untitled Document
MFG Model |
VOLTAGE |
NO LOAD |
AT MAXIMUM EFFICIENCY |
STALL |
OPERATING RANGE |
NOMINAL |
SPEED |
CURRENT |
SPEED |
CURRENT |
TORQUE |
OUTPUT |
EFF |
CURRENT |
TORQUE |
VDC |
VDC |
rpm |
A |
rpm |
A |
g.cm |
mN.m |
W |
% |
A |
g-cm |
mN-m |
RS-390SA-14260 |
12.0-24.0 |
12 |
3000 |
0.06 |
2335 |
0.21 |
61.17 |
6 |
1.47 |
58 |
0.87 |
314 |
30.78 |
RS-390SA-24135 |
12.0-24.0 |
12 |
5800 |
0.12 |
4746 |
0.67 |
107.9 |
10.58 |
5.26 |
65 |
3.95 |
753 |
73.82 |
RS-390SA-4535 |
4.8-9.6 |
9.6 |
18000 |
0.9 |
15267 |
6.35 |
278.4 |
27.29 |
43.65 |
72 |
34.54 |
1710 |
167.64 |
RS-390SA-5520 |
3.6-7.2 |
7.2 |
23500 |
1.5 |
19531 |
8.17 |
191.2 |
18.75 |
38.35 |
66 |
42.45 |
1214 |
119.02 |
|
|
|
|
|
|
|
|
|
|
|
|
|
|
|
©2003 KYSAN ELECTRONICS All Rights Reserved! www.kysanelectronics.com |
|