|
|
 |
|
DC Motors
267 Active |
|
|
|
|
|
Data Group: 267
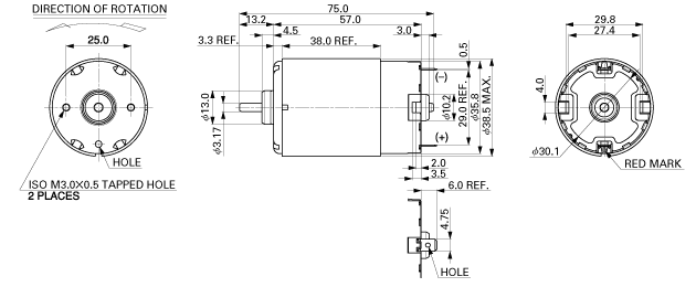
SKU: 1112059
Weight (Kg): 0.5000
Decsription: RS-555-4525-13.2
HS Code: 8501.31.6000
Applications: Office Automation Equipments, Printer, Computer Peripheral ,Automotive Products, Car Antenna Lumbar
 |
|
|
|
|
|
MFG Model |
VOLTAGE |
NO LOAD |
AT MAXIMUM EFFICIENCY |
STALL |
OPERATING |
NOMINAL |
SPEED |
CURRENT |
SPEED |
CURRENT |
TORQUE |
OUTPUT |
EFF |
CURRENT |
TORQUE |
V |
V |
rpm |
A |
rpm |
A |
g.cm |
mN.m |
W |
% |
A |
g-cm |
mN-m |
| RS-555SH-4525 |
6.0-12.0 |
12 |
11800 |
0.8 |
9800 |
4.72 |
420 |
41.2 |
42.81 |
75.6 |
25.67 |
2660 |
260.8 |
| RS-555SH-3538 |
12.0-24.0 |
13.5 |
7600 |
0.3 |
6300 |
1.72 |
260 |
25.5 |
17.06 |
73.8 |
10.13 |
1700 |
166.7 |
| RS-555SH-2862 |
12.0-24 |
12 |
4000 |
0.23 |
3300 |
0.9 |
218 |
21.4 |
7.47 |
68.9 |
5.11 |
1440 |
141.2 |
| RS-555SH-18155 |
18.0-24.0 |
18 |
2400 |
0.1 |
2000 |
0.26 |
160 |
15.7 |
3.3 |
71.5 |
1.38 |
1020 |
100 |
|
|
|
|
|
|
|
|
|
|
|
|
|
|
|
©2003 KYSAN ELECTRONICS All Rights Reserved! www.kysanelectronics.com |
|
|
|