DC Motors
264 Active
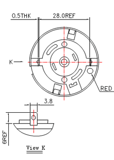
Data Group: 264
SKU: 1112062
Weight (Kg): 0.5000
Decsription: RS-5512SA-10160
HS Code: 8501.31.6000
Applications: Blender, Paper Shredder, Sewing Machine
Untitled Document
MFG Model VOLTAGE NO LOAD AT MAXIMUM EFFICIENCY STALL
OPERATING NOMINAL SPEED CURRENT SPEED CURRENT TORQUE OUTPUT EFF CURRENT TORQUE
VDC VDC rpm A rpm A g.cm mN.m W % A g-cm mN-m
RS-5512SA-11130 90-130 110 8000 0.06 7000 0.22 275 27 19.63 76.4 1.52 2000 196.1
RS-5512SA-11115 90-130 110 9000 0.08 7600 0.27 275 27 21.5 71.8 1.62 1860 182.4
RS-5512SA-10160 90-130 130 7800 0.06 6500 0.21 289 28.3 19.4 71.8 1.1 1800 176.5
RS-5512SA-10145 90-130 110 7100 0.05 6100 0.17 210 20.6 13.45 73.9 1.09 1600 156.9

©2003 KYSAN ELECTRONICS All Rights Reserved! www.kysanelectronics.com