|
 |
|
DC Motors
180 Active |
|
|
|
|
|
Data Group: 180
SKU: 1112079
Weight (Kg): 0.1000
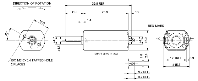
Decsription: FF-050SB-11170-4.7C
HS Code: 8501.31.6000
Applications: CD Player /Car CD player, DVD Player/Office Automation Equipments: CD/CVD-ROM Drive
 |
|
|
|
|
|
Untitled Document
MFG MODEL |
VOLTAGE |
NO LOAD |
AT MAXIMUM EFFICIENCY |
STALL |
OPERATING |
NOMINAL |
SPEED |
CURRENT |
SPEED |
CURRENT |
TORQUE |
OUTPUT |
TORQUE |
CURRENT |
RANGE |
V |
RPM |
A |
RPM |
A |
mN-m |
g-cm |
W |
mN-m |
g-cm |
A |
| FF-050SB-11170 |
2.0-8.0 |
7 |
10400 |
0.046 |
8440 |
0.2 |
0.83 |
8.5 |
0.73 |
4.41 |
45 |
0.85 |
| FF-050SB-9250 |
5.0 - 11.5 |
8 |
8100 |
0.023 |
6610 |
0.1 |
0.63 |
6.4 |
0.44 |
3.43 |
35 |
0.45 |
| FF-050S-07330 |
9.0-18 |
12 |
|
|
6270 |
0.09 |
|
5.0 |
|
|
|
|
| FF-050S-13130 |
2.0~4.0 |
2 |
3700 |
0.38 |
3000 |
0.11 |
3.0 |
0.29 |
0.09 |
17 |
1.67 |
0.45 |
| FF-050S-08220Y |
9.0~18 |
12 |
8000 |
0.05 |
6270 |
0.09 |
5.0 |
0.49 |
0.32 |
23 |
2.25 |
0.21 |
| FF-050SB-11190 |
2.6-7.0 |
6 |
7400 |
0.042 |
5100 |
0.16 |
12 |
1.18 |
0.63 |
40 |
3.92 |
0.6 |
| FF-050SB-13125 |
3.0-10 |
6 |
11500 |
90 |
9100 |
0.34 |
11 |
1.08 |
1.03 |
55 |
5.4 |
1.3 |
|
|
|
|
|
|
|
|
|
|
|
|
|
|
|
©2003 KYSAN ELECTRONICS All Rights Reserved! www.kysanelectronics.com |
|