|
|
 |
|
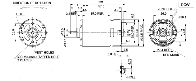
DC Motors
719 Active |
|
|
|
|
|
Data Group: 719
SKU: 1112094
Weight (Kg): 0.5000
Decsription: RS-550SA-30110-18.5
HS Code: 8501.31.6000
Applications: Blowers,massagers,air pumps, vacuum cleaners
 |
|
|
|
|
|
Untitled Document
MFG Model |
VOLTAGE |
NO LOAD |
AT MAXIMUM EFFICIENCY |
STALL |
OPERATING |
NOMINAL |
SPEED |
CURRENT |
SPEED |
CURRENT |
TORQUE |
OUTPUT |
EFF |
CURRENT |
TORQUE |
V |
V |
RPM |
A |
RPM |
A |
g.cm |
mN.m |
W |
% |
A |
g-cm |
mN-m |
| RS-550SA-30100 |
12.0-24.0 |
12 |
5000 |
2.2 |
4300 |
4.5 |
235 |
23.04 |
10.5 |
65.8 |
7.21 |
1500 |
147.1 |
|
|
|
CW/CCW |
|
|
|
|
|
|
|
|
|
|
|
©2003 KYSAN ELECTRONICS All Rights Reserved! www.kysanelectronics.com |
|
|
|