DC Motors
3466 Active
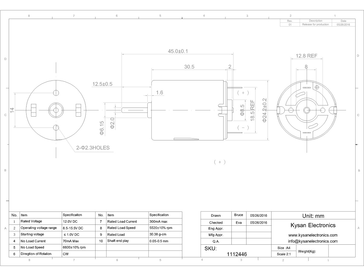
Data Group: 3466
SKU: 1112446
Weight (Kg): 0.2000
Decsription: RC-280-12280-A
HS Code: 8483.40.9000
Applications:

©2003 KYSAN ELECTRONICS All Rights Reserved! www.kysanelectronics.com