|
|
 |
|
DC Motors
251 Active |
|
|
|
|
|
Data Group: 251
SKU: 1112102
Weight (Kg): 0.5000
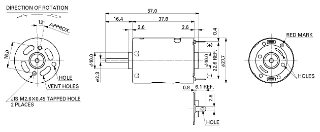
Decsription: RS-380SH-12300
HS Code: 8501.31.6000
Applications: Audio and Visual Equipments, MD Player, Car CD Player, Camcorder, Precision Instruments
 |
|
|
|
|
|
Untitled Document
MFG Model |
VOLTAGE |
NO LOAD |
AT MAXIMUM EFFICIENCY |
STALL |
OPERATING |
NOMINAL |
SPEED |
CURRENT |
SPEED |
CURRENT |
TORQUE |
|
OUTPUT |
CURRENT |
TORQUE |
V |
V |
RPM |
A |
RPM |
A |
g.cm |
mN.m |
W |
A |
g-cm |
mN-m |
| RS-380SH-4045 |
3.0-9.0 |
7.2 |
16200 |
0.5 |
14060 |
3.29 |
111 |
10.9 |
16 |
21.6 |
839 |
82.3 |
| RS-380SH-12300 |
12.0-30 |
24 |
8000 |
0.07 |
6540 |
0.31 |
63.9 |
6.27 |
4.29 |
1.4 |
350 |
34.3 |
|
|
|
|
|
|
|
|
|
|
|
|
|
|
|
©2003 KYSAN ELECTRONICS All Rights Reserved! www.kysanelectronics.com |
|
|
|