Geared Steppers
3688 Active
Data Group: 3688
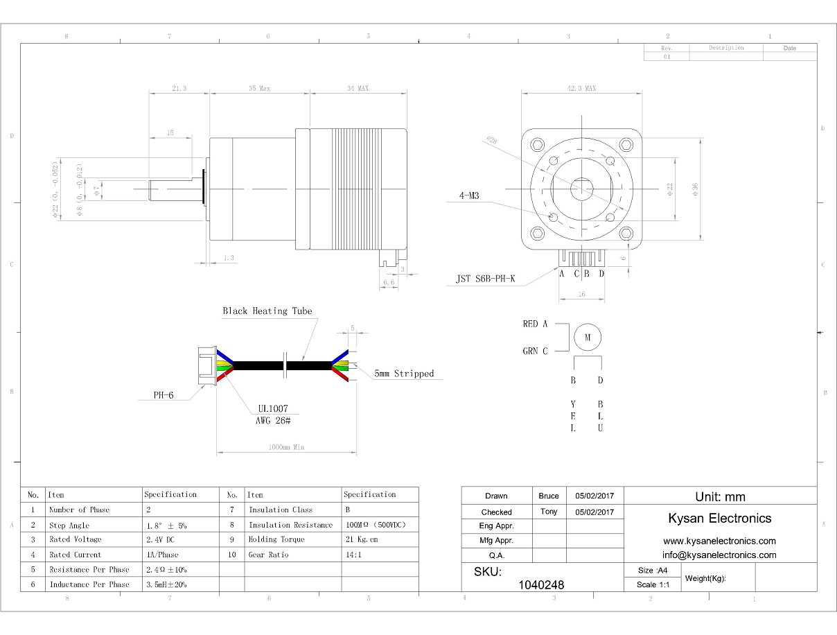
SKU: 1040248
Weight (Kg): 1.0000
Decsription: 17HG-B1/14-C1000
HS Code: 8504.40.40.00
Applications:

©2003 KYSAN ELECTRONICS All Rights Reserved! www.kysanelectronics.com