AC Motors
3798 Active
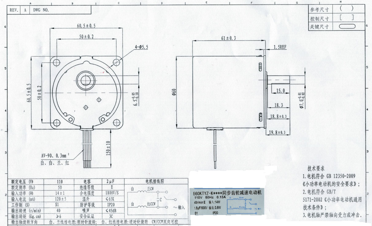
Data Group: 3798
SKU: 1311175
Weight (Kg): 0.5000
Decsription: 60KTYZ-110V102RPM-C
HS Code: 8481.80.9005
Applications:

©2003 KYSAN ELECTRONICS All Rights Reserved! www.kysanelectronics.com