DC Motors
3951 Active
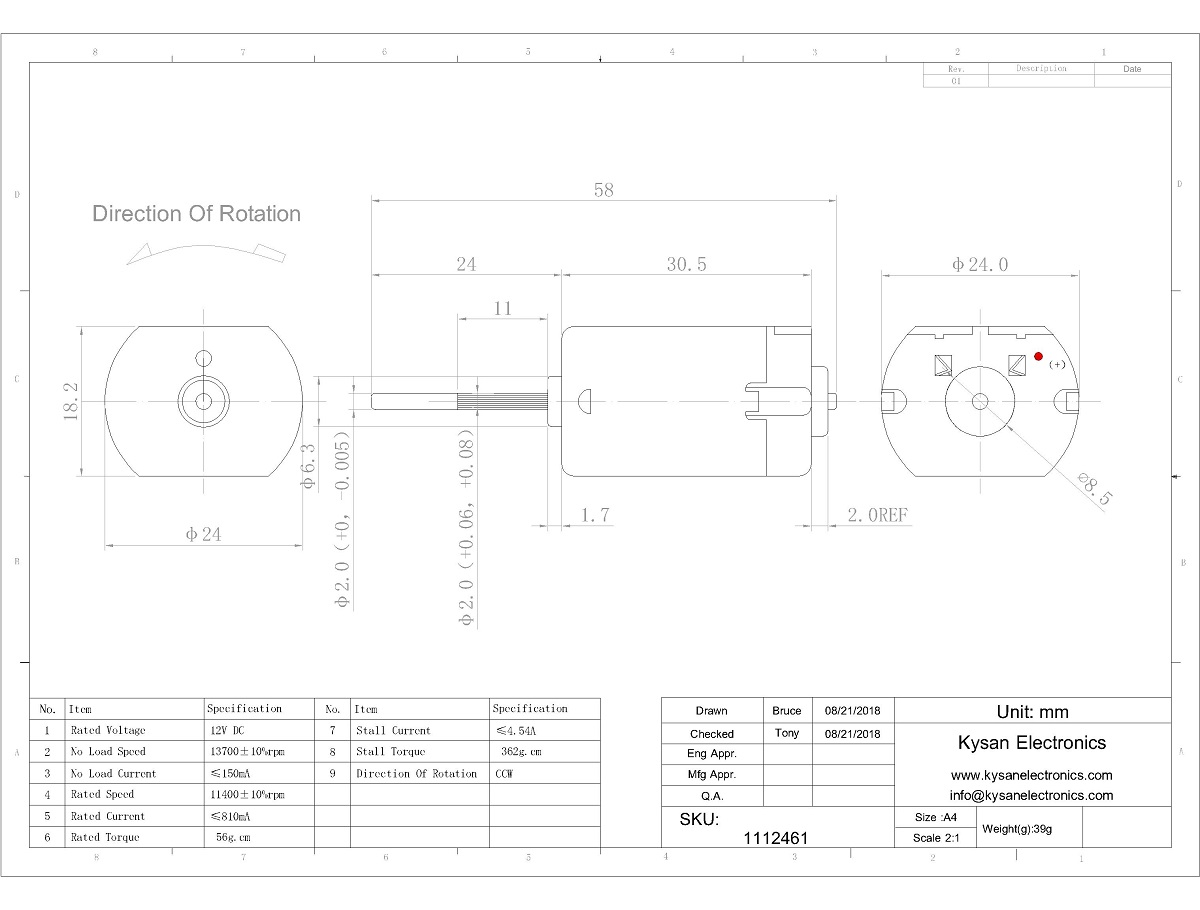
Data Group: 3951
SKU: 1112461
Weight (Kg):
Decsription: DC-280P-22135P-24K
HS Code: 8203.40.6000
Applications:

©2003 KYSAN ELECTRONICS All Rights Reserved! www.kysanelectronics.com