Stepper Motors
1625 Active
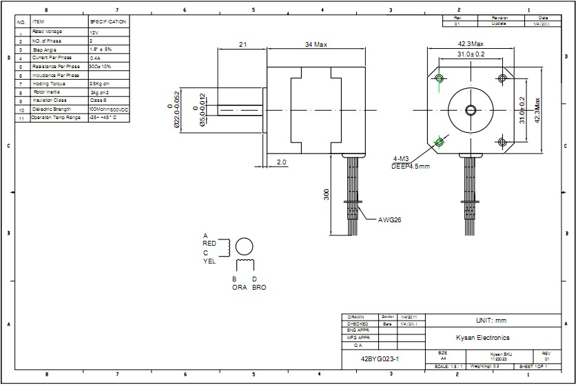
Data Group: 1625
SKU: 1123023
Weight (Kg): 2.0000
Decsription: 42BYG34B-18W25
HS Code: 8483.40.9000
Applications: Office Automation, banking equipment, Automobil control unit, telecom, home appliance

©2003 KYSAN ELECTRONICS All Rights Reserved! www.kysanelectronics.com