Stepper Motors
1817 Active
Data Group: 1817
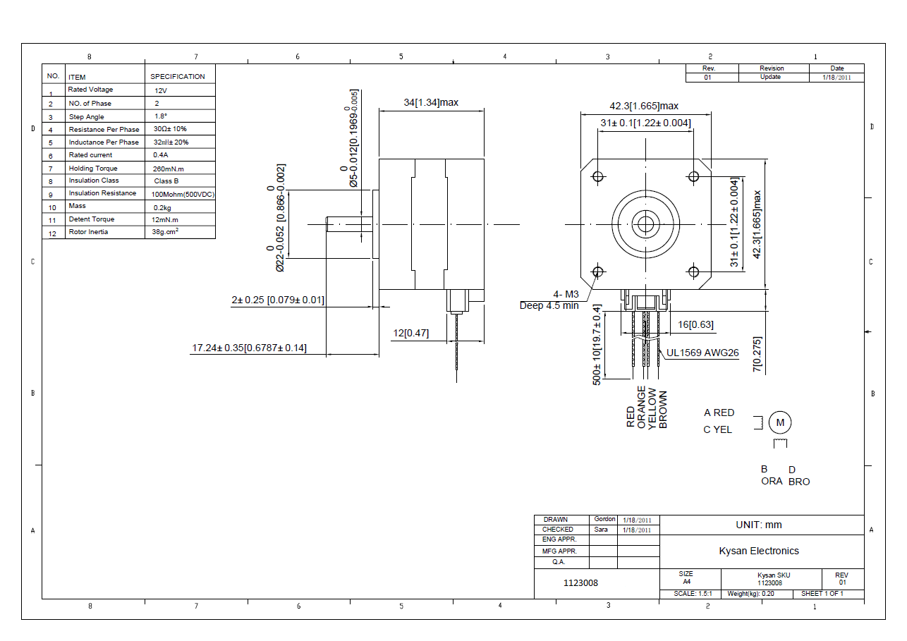
SKU: 1123008
Weight (Kg): 2.0000
Decsription: 42BYG34B-18W21
HS Code: 8483.40.9000
Applications: Medical equipment, stage lighting

©2003 KYSAN ELECTRONICS All Rights Reserved! www.kysanelectronics.com