Stepper Motors
2525 Inactive
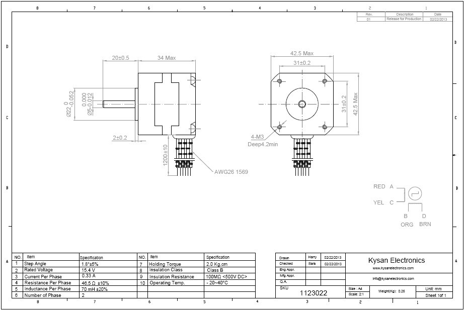
Data Group: 2525
SKU: 1123022
Weight (Kg): 2.0000
Decsription: 42BYG34B-18W2
HS Code: 8483.40.9000
Applications: Medical equipment, stage lighting

©2003 KYSAN ELECTRONICS All Rights Reserved! www.kysanelectronics.com