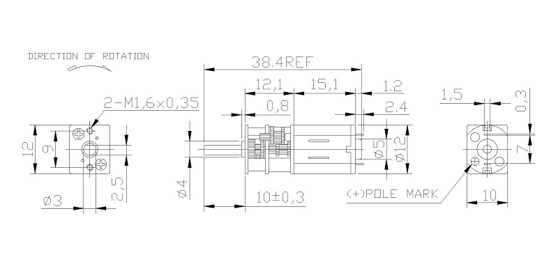
Spur Geared Motors
4221 Active
Data Group: 4221
SKU: 1040872
Weight (Kg): 0.3000
Decsription: GM12-15BY-110-14MM
HS Code:
Applications:

©2003 KYSAN ELECTRONICS All Rights Reserved! www.kysanelectronics.com