Spur Geared Motors
4311 Active
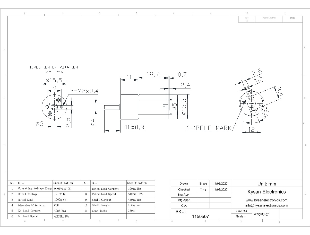
Data Group: 4311
SKU: 1150507
Weight (Kg): 0.4000
Decsription: 16GA030-12V40RPM-10D
HS Code: 8483.40.9000
Applications:

©2003 KYSAN ELECTRONICS All Rights Reserved! www.kysanelectronics.com