Spur Geared Motors
4327 Active
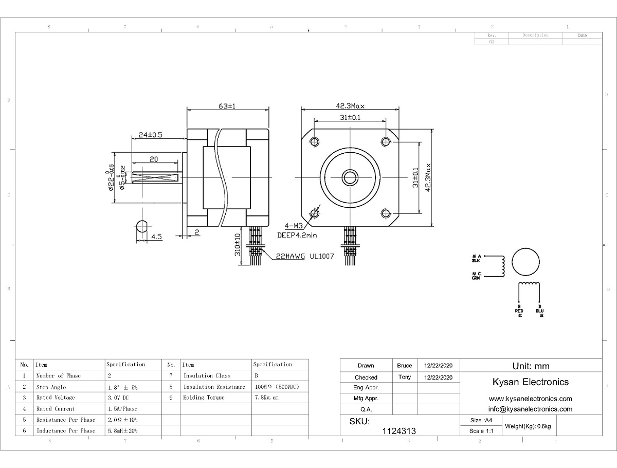
Data Group: 4327
SKU: 1124313
Weight (Kg): 2.0000
Decsription: 42BYG60B-18WC78D24C
HS Code: 8483.40.9000
Applications:

©2003 KYSAN ELECTRONICS All Rights Reserved! www.kysanelectronics.com