Spur Geared Motors
4331 Active
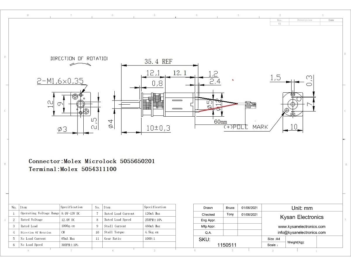
Data Group: 4331
SKU: 1150511
Weight (Kg): 0.2000
Decsription: A12FT-12V25RPM-10D
HS Code: 8483.40.9000
Applications:

©2003 KYSAN ELECTRONICS All Rights Reserved! www.kysanelectronics.com