Stepper Motors
1699 Active
Data Group: 1699
SKU: 1125001
Weight (Kg): 3.0000
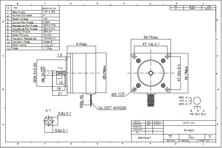
Decsription: 57BYG007
HS Code: 8483.40.9000
Applications: Office equipment

©2003 KYSAN ELECTRONICS All Rights Reserved! www.kysanelectronics.com