Stepper Motors
4339 Active
Data Group: 4339
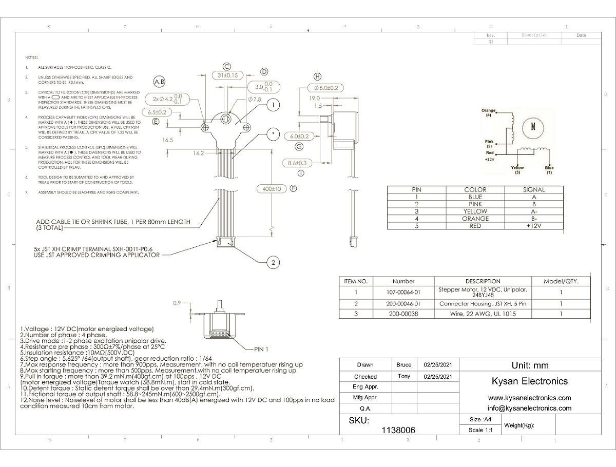
SKU: 1138006
Weight (Kg): 0.5000
Decsription: 24BYJ48-12V
HS Code:
Applications:

©2003 KYSAN ELECTRONICS All Rights Reserved! www.kysanelectronics.com