Spur Geared Motors
4491 Active
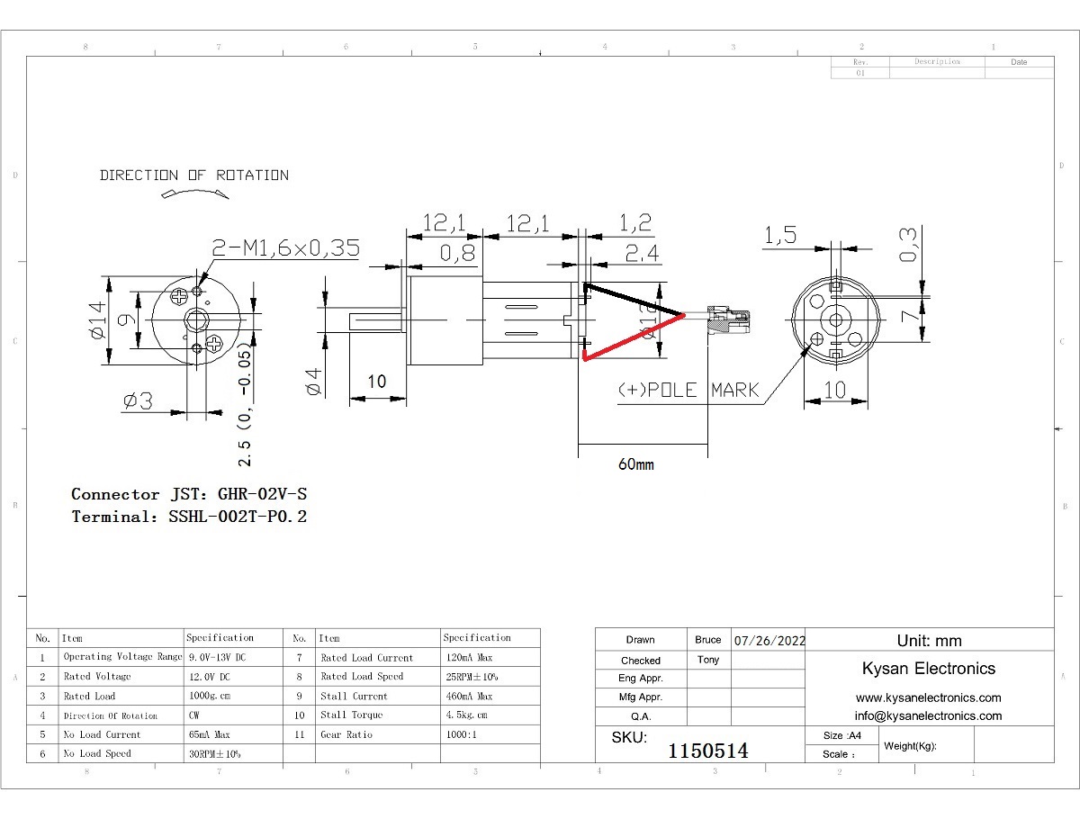
Data Group: 4491
SKU: 1150514
Weight (Kg): 0.3000
Decsription: 14GA020-12V25RPM-10D
HS Code:
Applications:

©2003 KYSAN ELECTRONICS All Rights Reserved! www.kysanelectronics.com