Stepper Motors
2348 Active
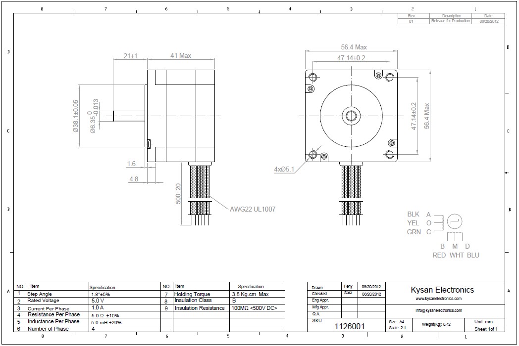
Data Group: 2348
SKU: 1126001
Weight (Kg): 3.0000
Decsription: 57BYGH001
HS Code: 8483.40.9000
Applications: Stage lights, medical equipment, security control

©2003 KYSAN ELECTRONICS All Rights Reserved! www.kysanelectronics.com