DC Motors
4564 Active
Data Group: 4564
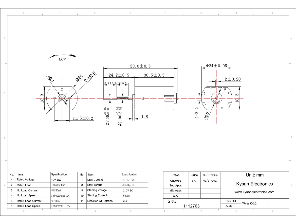
SKU: 1112763
Weight (Kg): 0.2000
Decsription: FC-280PC-22125-24.2K-CCW1
HS Code:
Applications:

©2003 KYSAN ELECTRONICS All Rights Reserved! www.kysanelectronics.com