DC Motors
4550 Active
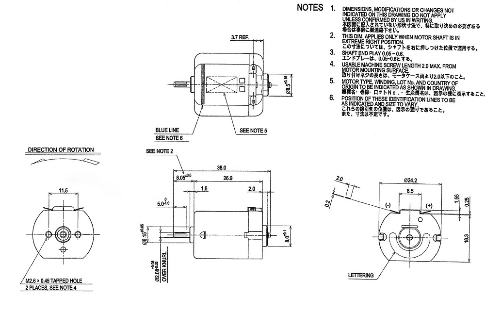
Data Group: 4550
SKU: 1112464
Weight (Kg): 0.2000
Decsription: FC-260SA-12250
HS Code:
Applications:

©2003 KYSAN ELECTRONICS All Rights Reserved! www.kysanelectronics.com