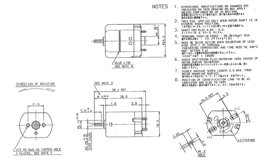
DC Motors
4549 Active
Data Group: 4549
SKU: 1112465
Weight (Kg): 0.2000
Decsription: FK-260SA-12300
HS Code:
Applications:

©2003 KYSAN ELECTRONICS All Rights Reserved! www.kysanelectronics.com