Stepper Motors
4202 Active
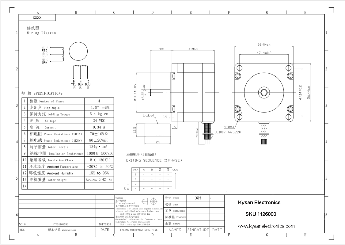
Data Group: 4202
SKU: 1126008
Weight (Kg): 3.0000
Decsription: 57BYGH006
HS Code:
Applications:

©2003 KYSAN ELECTRONICS All Rights Reserved! www.kysanelectronics.com