Spur Geared Motors
4575 Active
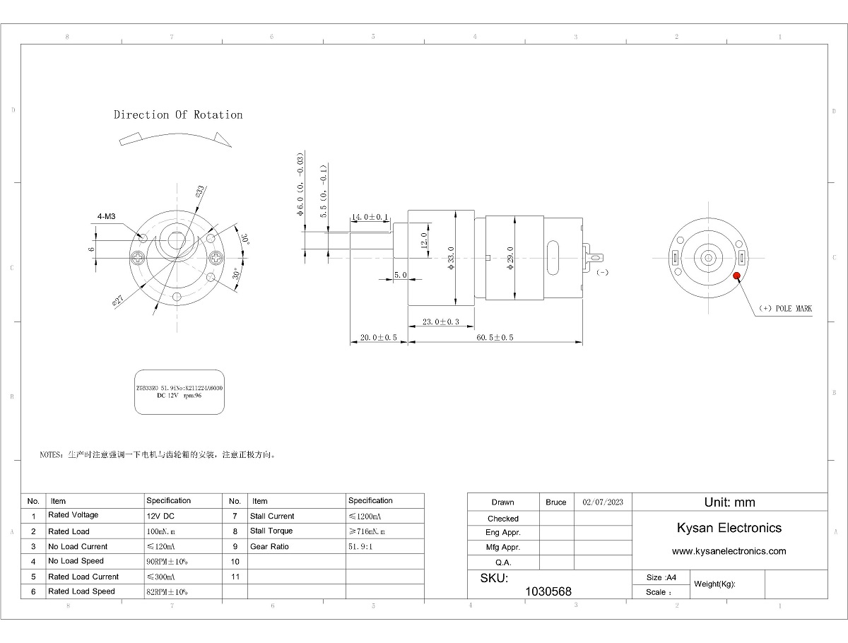
Data Group: 4575
SKU: 1030568
Weight (Kg): 0.5000
Decsription: B33RO-12V96RPM
HS Code:
Applications:

©2003 KYSAN ELECTRONICS All Rights Reserved! www.kysanelectronics.com