DC Motors
3269 Active
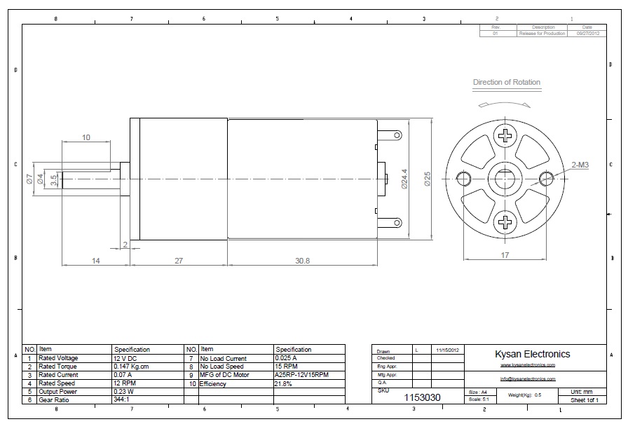
Data Group: 3269
SKU: 1153030
Weight (Kg): 0.5000
Decsription: A25RP-12V15RPM
HS Code: 8483.40.9000
Applications:

©2003 KYSAN ELECTRONICS All Rights Reserved! www.kysanelectronics.com