DC Motors
2967 Active
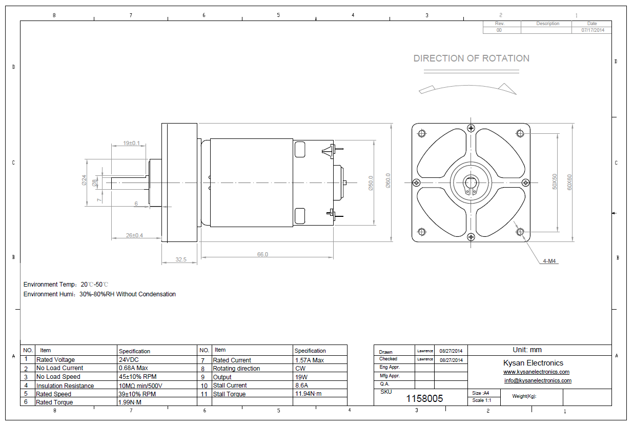
Data Group: 2967
SKU: 1158005
Weight (Kg): 3.0000
Decsription: A60FM-12V45RPM
HS Code: 8483.40.9000
Applications:

©2003 KYSAN ELECTRONICS All Rights Reserved! www.kysanelectronics.com