Spur Geared Motors
3503 Active
Data Group: 3503
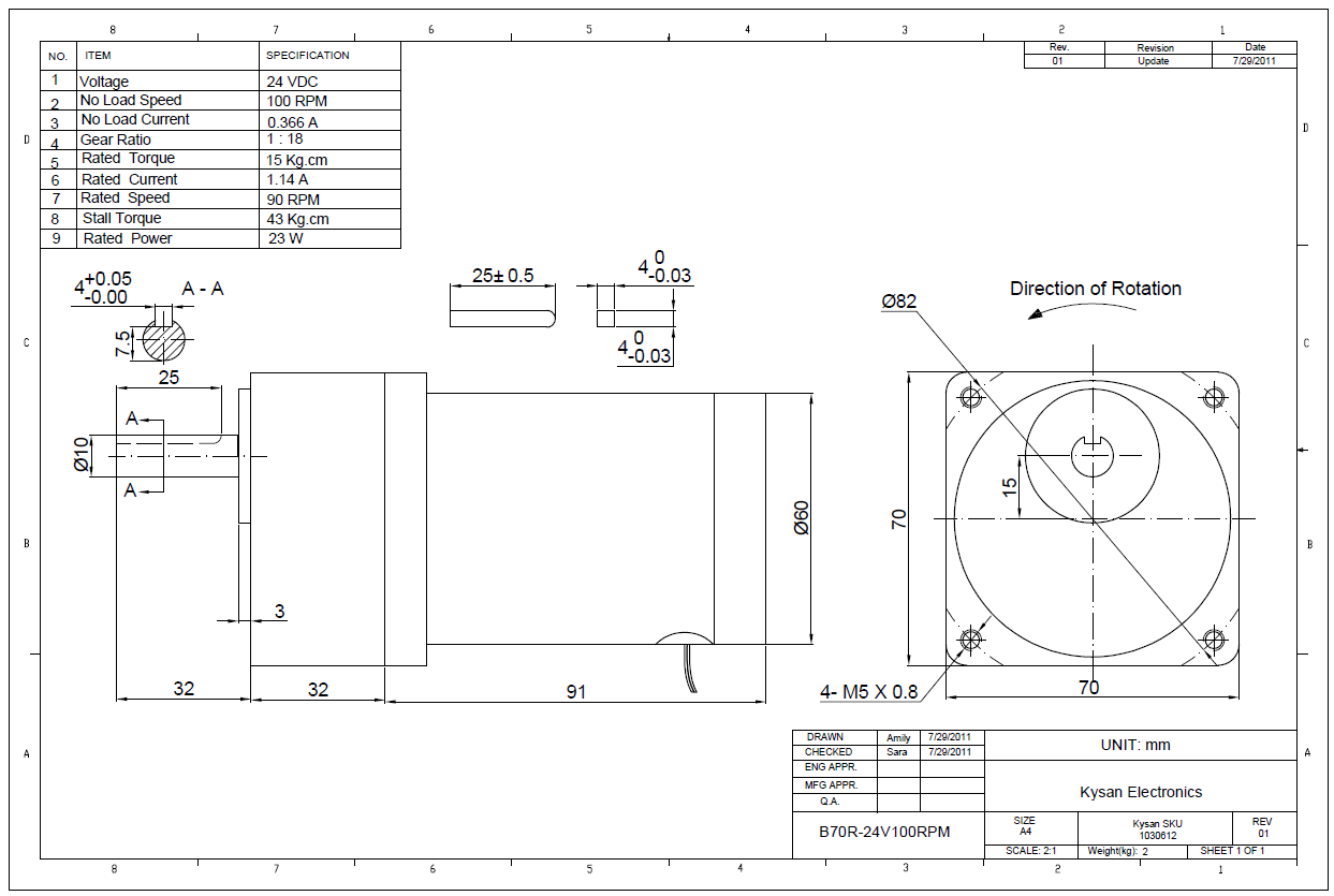
SKU: 1030612
Weight (Kg): 3.0000
Decsription: B70R-24V100RPM
HS Code: 8483.40.9000
Applications: Electric-drive curtain, Stage illumination, Air brake switch.

©2003 KYSAN ELECTRONICS All Rights Reserved! www.kysanelectronics.com