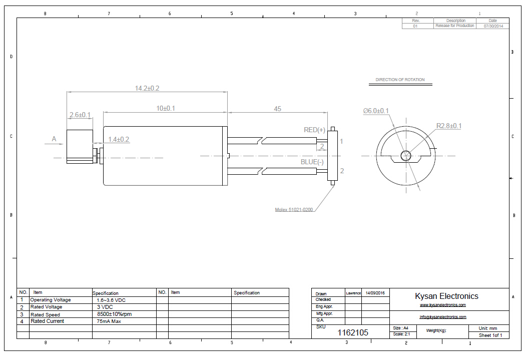
Vibrating Motors
3613 Active
Data Group: 3613
SKU: 1162015
Weight (Kg): 0.0200
Decsription: 7ZK631
HS Code: 8483.40.9000
Applications:

©2003 KYSAN ELECTRONICS All Rights Reserved! www.kysanelectronics.com