Vibrating Motors
4720 Active
Data Group: 4720
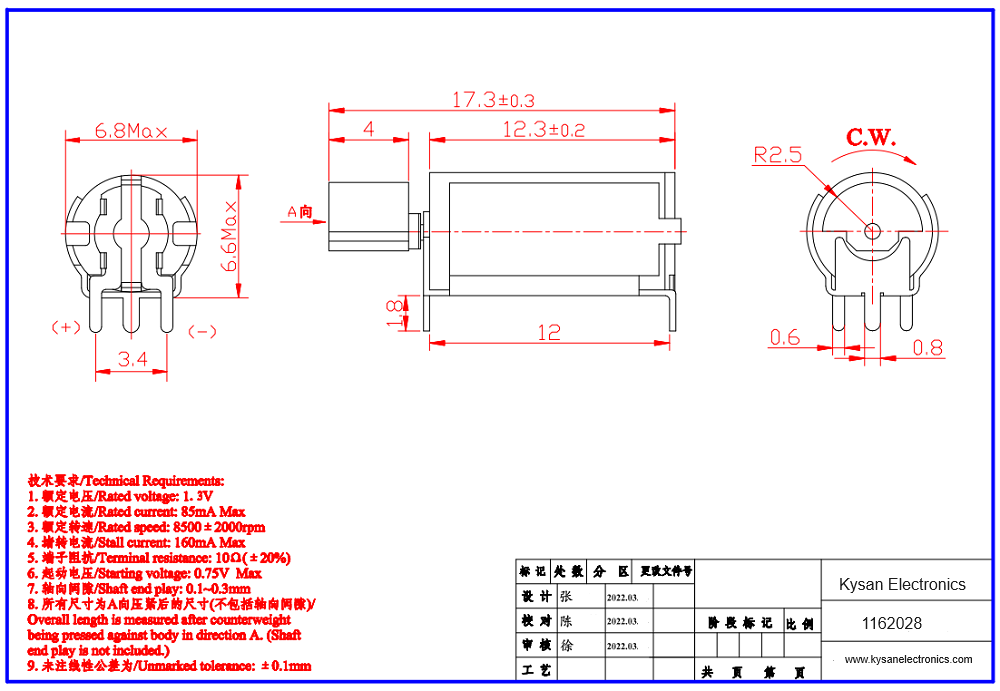
SKU: 1162028
Weight (Kg): 0.5000
Decsription: Z6DC1A0050091
HS Code:
Applications:

©2003 KYSAN ELECTRONICS All Rights Reserved! www.kysanelectronics.com