Solenoids
3637 Active
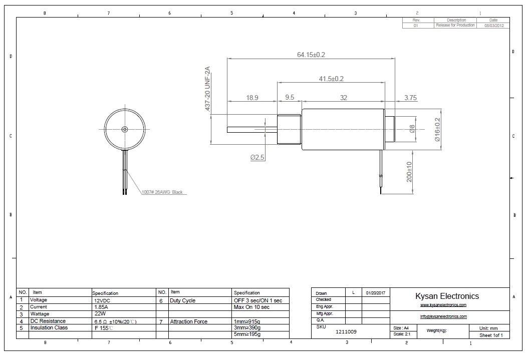
Data Group: 3637
SKU: 1211009
Weight (Kg): 0.2000
Decsription: KY-1632S12AA
HS Code: 8203.40.6000
Applications:

©2003 KYSAN ELECTRONICS All Rights Reserved! www.kysanelectronics.com