Solenoids
1438 Active
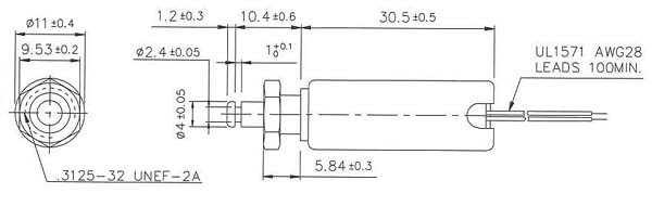
Data Group: 1438
SKU: 1211011
Weight (Kg): 0.2000
Decsription: SMT-1130L12AA
HS Code: 8481.80.9005
Applications: Pump, Safe Lock, cabinet lock; cupboard Lock, Medical Instrument, Textile Machine, Toy, copy machine

©2003 KYSAN ELECTRONICS All Rights Reserved! www.kysanelectronics.com