Potentiometers
4812 Active
Data Group: 4812
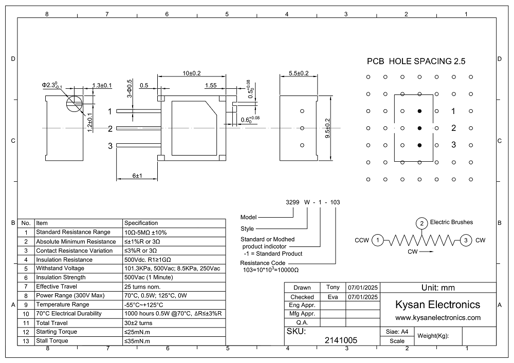
SKU: 2141005
Weight (Kg): 0.1000
Decsription: 3299W-1-104
HS Code:
Applications:

©2003 KYSAN ELECTRONICS All Rights Reserved! www.kysanelectronics.com