Spur Geared Motors
3039 Active
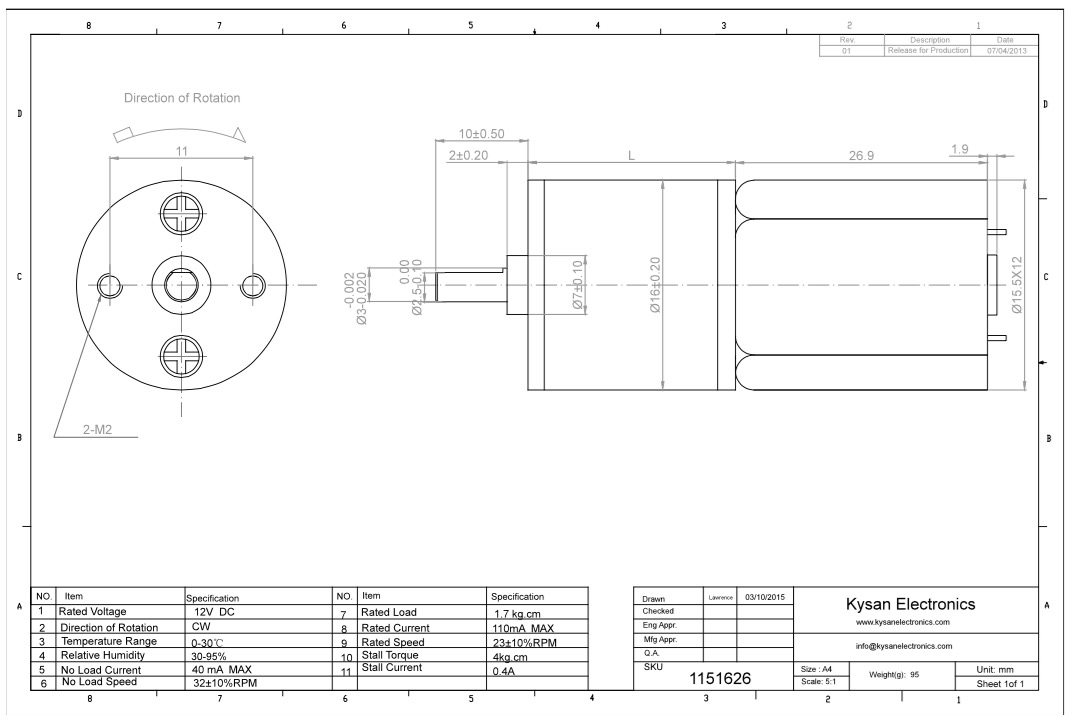
Data Group: 3039
SKU: 1151626
Weight (Kg): 0.2000
Decsription: 16GA050-12V32RPM
HS Code:
Applications:

©2003 KYSAN ELECTRONICS All Rights Reserved! www.kysanelectronics.com