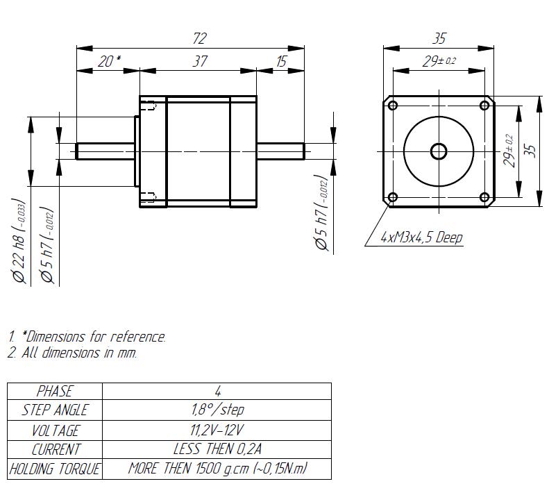
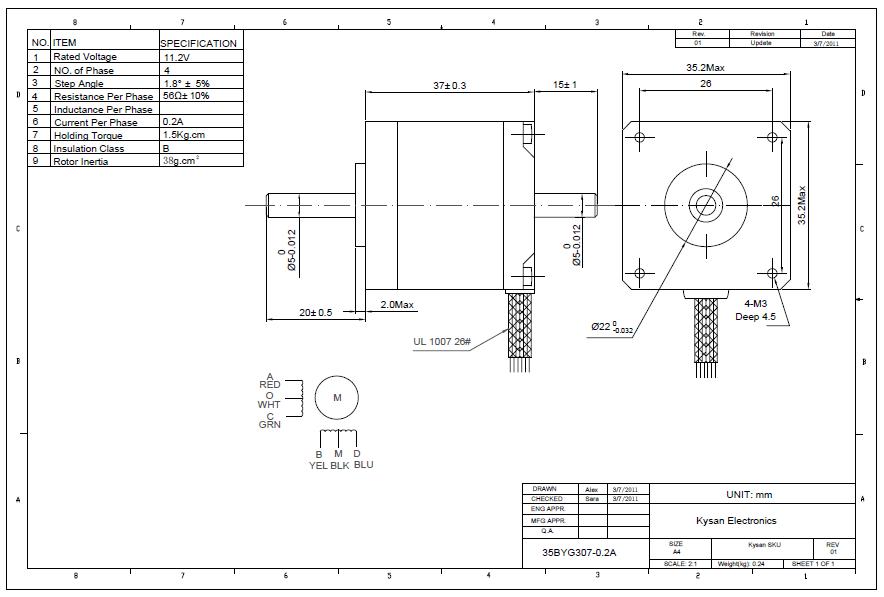
Stepper Motors
1688 Active
Data Group: 1688
SKU: 1121102
Weight (Kg): 1.0000
Decsription: 35BYG307-0.2A-2
HS Code: 8483.40.9000
Applications: Instrument

©2003 KYSAN ELECTRONICS All Rights Reserved! www.kysanelectronics.com